TX4310B是一款低噪声,恒定频率(1.2MHz)开关电容器倍压器。
TX4310B从1.8V至5V输入产生稳定的输出电压。
外部元件数量较少(VDD和VOUT处有一个快速电容和两个小旁路电容)使得芯片非常适用于电池供电的小型应用。
电荷泵架构可保持恒定的开关频率以实现空载稳压输出,并降低输出和输入波纹。
芯片具有过温保护功能,可以承受从VOUT到GND的连续短路。
内置软启动电路可防止启动过程中的浪涌电流。
芯片采用SOT23-6封装。

输入电压:1.8-5V
输出电压:3.3V
输出电流:250mA
工作频率:1MHz
转换效率:83%
芯片封装:SOT23-6

 

消费类电子产品
LED白色背光
锂电池后备电源
智能阅读器


 

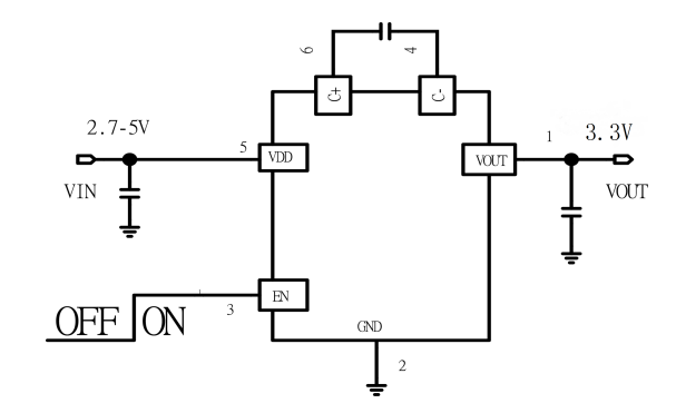
TX4310B DEMO板 应用原理图:


TX4310B DEMO板 PCB图: