TX6128是一款开关降压型LED恒流驱动芯片
TX6128内置100V功率 MOS 芯片采用固定关断时间的峰值电流控制方式,关断时间可通过外部电容进行调节,工作频率可根据用户要求而改变。

芯片通过调节外置的电流采样电阻,能控制高亮度LED灯的驱动电流,使 LED 灯亮度达到预期恒定亮度。

在DIM端加PWM信号,可以进行LED灯调光。DIM端同时支持线性调光。

芯片内部还集成了 VDD 稳压管以及过温保护电路等,减少外围元件并提高系统可靠性,散热片内置接 SW 脚。

芯片采用 ESOP-8 封装。

TX6128是一款开关降压型 LED 恒流驱动芯片
输入电压:3.6-100V
输出电压:9V
输出电流:1.2A
工作频率:最大1MHz
转换效率:93%
芯片封装:ESOP-8


 

TX6128是一款开关降压型 LED 恒流驱动芯片
自行车、电动车、摩托车
手电筒
LED照明
LED背光

 

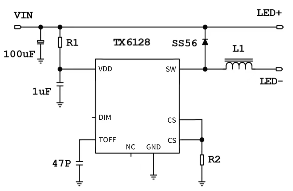
TX6128 DEMO板 应用原理图



TX6128 DEMO板 PCB图



TX6128 输出电流计算器