TX4115是一款开关降压型 DC-DC 同步整流芯片
芯片的输入电压范围从 8V 到 30V,2.1A 的连续输出电流,具有出色的负载和线路调节能力。
该开关频率从130kHz 到 500kHz,芯片提供了高效的同步整流架构设计。
IC提供了快速的瞬态响应特性,芯片外围元件少。其他功能包括可编程电流限制和过热关机。
芯片采用了SOP-8封装。

TX4115是一款开关降压型 DC-DC 同步整流芯片
电压范围:8-30V
输出电压:ADJ

输出电流:5V / 2A 、12V / 2A
工作频率:130-150KHz
转换效率:93%
过温保护
输出短路保护
产品封装:SOP-8

 

TX4115是一款开关降压型 DC-DC 同步整流芯片
消费类电子产品
线性调压器
分布式电源
POE电源
安防设备等

 

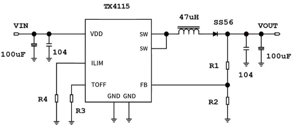
TX4115 DEMO板原理图:



TX4115 DEMO板 PCB图:



TX4115 输出电压计算器: